


|
适用于各种通用机械的场合、最高转速可达 4000 rpm/min。 |
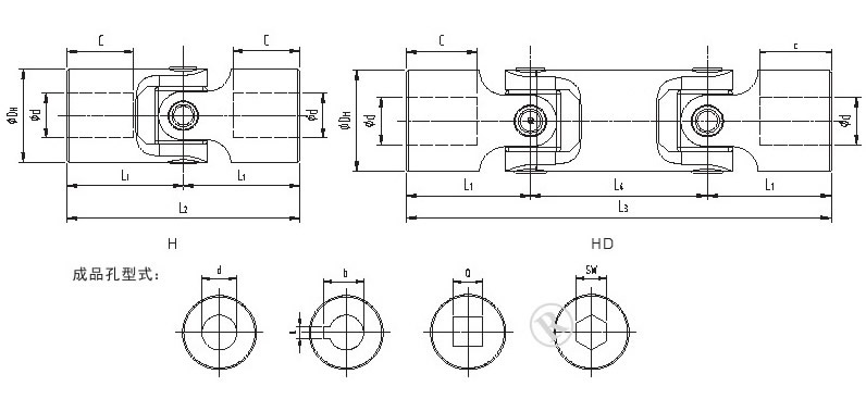
![]() |
| GA 型和 HA 型可伸缩型万向联轴器 的基本选型参数和主要尺寸 | ||||||||||||||||
| 型号及规格 | H 型和 HD 型总体尺寸 | 重量 | ||||||||||||||
| 规格 | 规格 | 额定 | 许用 | 成品孔径 d | DH | l2 | l1 | C | L4 | L3 | a | b Q | SW | H 型 | HD 型 | |
| H | HD | 扭矩 | 转速 | ( 最小 - 最大 ) | ||||||||||||
| 规格 | 规格 | N.m | rpm | mm | kg | |||||||||||
| H | HD | |||||||||||||||
| 02H | 02HD | 23 | 4000 | 10 | 22 | 48 | 24 | 12 | 26 | 74 | 3 | 11.4 10 | 10 | 0.1 | 0.15 | |
| 03H | 03HD | 36 | 4000 | 12 | 25 | 56 | 28 | 13 | 30 | 86 | 4 | 13.8 | 12 | 12 | 0.16 | 0.25 |
| 04H | 04HD | 48 | 4000 | 14 | 28 | 60 | 30 | 13 | 36 | 96 | 5 | 16.3 | 14 | 14 | 0.2 | 0.4 |
| 05H | 05HD | 66 | 4000 | 16 | 32 | 68 | 34 | 16 | 36 | 104 | 5 | 18.3 | 16 | 16 | 0.3 | 0.45 |
| 06H | 06HD | 90 | 4000 | 18 | 36 | 74 | 37 | 17 | 40 | 114 | 6 | 20.8 | 18 | 18 | 0.45 | 0.7 |
| 07H | 07HD | 126 | 4000 | 20 | 42 | 82 | 41 | 18 | 46 | 128 | 6 | 22.8 | 20 | 20 | 0.6 | 1 |
| 08H | 08HD | 170 | 4000 | 22 | 45 | 95 | 47.5 | 22 | 50 | 145 | 6 | 24.8 | 22 | 22 | 0.95 | 1.55 |
| 09H | 09HD | 250 | 4000 | 25 | 50 | 108 | 54 | 26 | 55 | 163 | 8 | 28.3 | 25 | 25 | 1.2 | 2 |
| 10H | 10HD | 396 | 4000 | 30 | 58 | 122 | 61 | 29 | 68 | 190 | 8 | 33.3 | 30 | 30 | 1.85 | 2.9 |
| 11H | 11HD | 600 | 4000 | 35 | 70 | 140 | 70 | 35 | 72 | 212 | 10 | 38.3 | 30 | — | 3.15 | 4.75 |
| 12H | 12HD | 825 | 4000 | 40 | 80 | 160 | 80 | 40 | 85 | 245 | 12 | 43.3 | 40 | — | 4.6 | 7.2 |
| 13H | 13HD | 995 | 4000 | 50 | 95 | 190 | 90 | 50 | 100 | 290 | 14 | 53.8 | 50 | — | 7.6 | 12 |